HLT-lattialuukut

HLT-lattialuukut

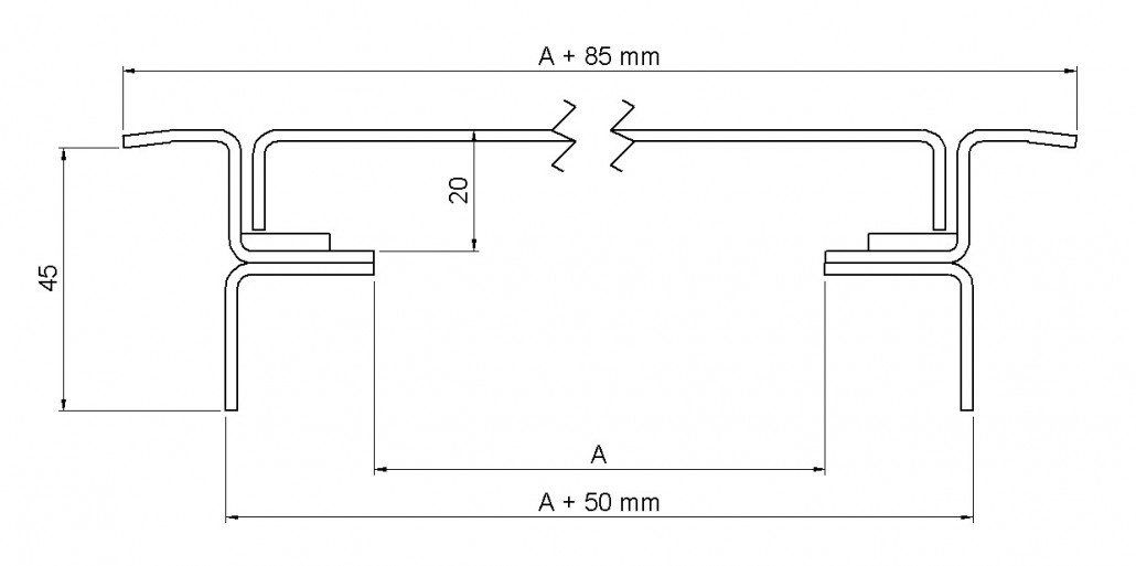
Laadukkaat ja turvalliset HLT-lattialuukut soveltuvat käytettäväksi sisätiloihin.  Luukkujen kuormitettavuus on 1,5 kN.  300 x 300 mm luukussa on kiinnitysruuvit, joista nostamalla luukku saadaan auki. Suuremman kokoluokan luukuissa on erillinen nostokahva.  Luukuissa on tiivisteet, mutta ne eivät ole täysin vesitiiviitä.  Kannen voi kääntää toisinpäin ja pinnoittaa esimerkiksi parketilla, pinnoitettavan kotelon syvyys noin 15 mm. Valmistamme tarvittaessa luukkuja myös erikoismitoilla.

HLT-lattialukku RST
Mitat A x B (mm)MateriaaliPintakäsittelyTuotenumero
300 x 300RSTHiottuHLT30RST
450 x 450RSTHiottuHLT45RST
600 x 600RSTHiottuHLT60RST
HLT-lattialuukku sinkitty
Mitat A x B (mm)MateriaaliPintakäsittelyTuotenumero
300 x 300KZnSinkittyHLT30ZN
450 x 450KZnSinkittyHLT45ZN
600 x 600KZnSinkittyHLT60ZN
HLT-lattialuukku AL- kuvioitu
Mitat A x B (mm)MateriaaliPintakäsittelyTuotenumero
300 x 300Al / KZnKuvioituHLT30AL
450 x 450Al / KZnKuvioituHLT45AL
600 x 600Al / KZnKuvioituHLT60AL